特點: YZ系列冶金及起重用三相異步電動機是全國統一設計的新系列產品。與JZ2、JZR2相比較:效率提高1.88%,功率提高9.35%,起動轉矩比原系列大。功率等級和安裝尺寸符合IEC72推廣的標準。
YZ系列為鼠籠型轉子電動機。該系列電動機適用于各種類型的起重機械及其他類似設備的電力驅動,適用于短時工作制S2或斷續周期工作制S3,頻繁起動、制動,及有顯著的振動沖擊的設備。
使用條件: 環境氣溫度:-15℃≤0≤40℃ 海撥:不超過1000米 額定電壓:380V 額定頻率:50Hz 絕緣等級:F / H級 工作方式:連續(S3) 防護等級:電機主體防護為IP54 冷卻方法:IC410、IC411 接法:功率在132KW及以下者定子繞組為Y接法 安裝形式 Mounting arrangements 
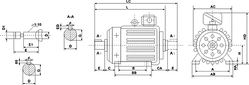
安裝尺寸及外形 INSTALLATION SIZE AND OVERALL DIMENSION 
技術參數 TECHNICAL DATA 

|